先上最终的成稿,有一个感性的认识。
新建图层填充灰色,执行滤镜——分层云彩。
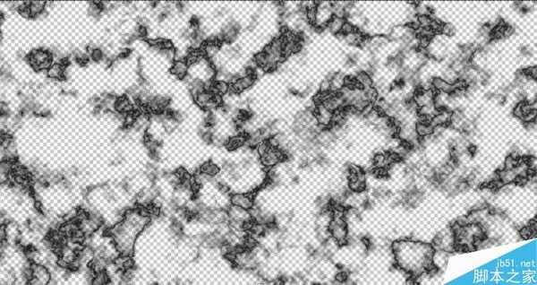
按ctrl+f,不断重复这个滤镜,然后观察出现的墨晕的效果,那些是黑色较重的部分,就是我们将来要用来制作梅树干的部分!看你的脑洞了!自己判断哪一块可以用哦!在这个过程中,发现有可用的了,要把它修剪出来,就像做盆景一样。在这里不要在图层上直接修剪,而要再处理一下,用通道调出素材的选区并反选,新建图层填充黑色!得到了各种各样的梅花树干的素材,然后就修理吧!细心一点儿,多做出一些树干枝杈的素材,为下步拼接梅树做出足够多的素材。在选取素材的时候,注意墨色的浓淡搭配,各种墨色的、各种形态的枝杈都要准备一些。而且是多多益善,便于创作的时候增加可选择性。
为了处理的时候看着方便,我在背景层上填充了颜色。在选择素材的时候,可以使用套索工具,适当加一点羽化,一个像素就可以。还可以利用橡皮工具,可以使用“喷溅”、“硬毛刷”等笔刷效果,这就根据你的需要了。下面这些图,就是经过一次次的重复上面的过程,从随机生成的效果里,修剪出来的梅树的枝干,以及大大小小姿态万方的枝杈!
总的构图的想法是画两枝大的梅枝,按国画的方法,需要处理成前后两枝,也就是虚实两枝。这里先初步拼组成一枝,看一下总体效果。
先做前面的一枝实的。做成以后,在梅枝图层的上面用梅枝的选区填充赭石色,做出梅枝的颜色,图层模式改为“颜色”。边边角角溢出的地方,用橡皮工具处理一下,同时用加深工具处理一下颜色的明暗关系,让边缘暗一些,中间亮一些,以增加梅枝的立体感。然后复制颜色图层于其上,图层模式改为“正片叠底”,不透明度改为50%,用橡皮工具擦去细枝及主干的中间部分,这步同样是为了强化立体感。
对主梅树进行枝条补充,丰富画面,增强墨色感觉。
这是另一枝梅树枝,这个不细说了,未来在画面中将用到上一枝梅树的后面。
做雪的效果。在梅树树干的上面新建一层,以建立雪的效果。用梅树干骨架为基准创建选区,然后执行平滑处理,这个注意参数,这个和画的幅面有关。然后在刚建立的雪效果图层上填充白色,形成一个雪效果图层。复制这个雪效果图层,适当调副本图层的透明度并与雪效果图层合并。这步的主要思路是一次填充,雪的效果不够白,所以复制叠加一个,同时在通过调整局部透明度来调整深浅,以优化国画的水墨味道,同时强化国画表现雪的质感。
把两个表现雪的图层向上移动几个像素,表现出雪的厚度感,然后用橡皮工具擦掉树干上不会积雪的部分,露出部分树干。把两个雪效果的图层合并,然后用“喷溅”笔刷处理一下雪靠树干的部分,因为国画的雪有一川办法是留白的,这就需要处理好树干与留白的衔接部分,即体现笔触的合理性、色与墨晕化的效果,同是体现树干的肌理与质感。这步尽量用鼠标点击而少用描抹。
终于要开始画花了!因为是写意画,我们可以大胆地画,说一下方法,花的颜色是红色,傲雪红梅嘛!花的雄蕊用墨色、雌蕊用黄色。花瓣用“平头湿水彩笔”,雄蕊用小一点“喷溅”笔刷,如果用鼠标画雄蕊画不直溜,那就路径描边哦!雄蕊的蕊头用“小圆头水彩笔”点,为增加效果可先浅后深,用不同墨色点两次。雌蕊就用“喷溅”笔刷点就可以了。花托可以使用“每描边亮度差异”调节墨色。这里先说明一点。在使用这些笔刷的时候,因为有些地方是被设置成了透明色的,这恰恰可以用来表现水墨效果。但也有一个问题,我们毕竟不是在纸上画,这样在画完花的时候,会在花芯等部分出现漏空,能看见后面的花枝与背景等等,这就不真实了。所以,在把花都画完以后,我们会在整花的下面增加一层,权且叫做“补漏白”层,这个词儿是借来的哈,本是印刷术语。在这层上用白色涂脂,遮掉我们不想露出来的部分。
画的时候,单片的梅花是5瓣,如果感觉顺手可以画在一个图层上,如果没把握可以分别画在5个图层上,然后再调整位置。因为花的形态各异,要注意表现的时候花蕊图层与花瓣图层的位置关系。下面是基本画示意。
画几朵,看看效果。注意花的形态。花的前后层次通过颜色的明暗表现一下。
剩下的事儿,就是发挥出你的超能力,让梅树开花吧!
上一页12 下一页 阅读全文
免责声明:本站资源来自互联网收集,仅供用于学习和交流,请遵循相关法律法规,本站一切资源不代表本站立场,如有侵权、后门、不妥请联系本站删除!
更新日志
- 小骆驼-《草原狼2(蓝光CD)》[原抓WAV+CUE]
- 群星《欢迎来到我身边 电影原声专辑》[320K/MP3][105.02MB]
- 群星《欢迎来到我身边 电影原声专辑》[FLAC/分轨][480.9MB]
- 雷婷《梦里蓝天HQⅡ》 2023头版限量编号低速原抓[WAV+CUE][463M]
- 群星《2024好听新歌42》AI调整音效【WAV分轨】
- 王思雨-《思念陪着鸿雁飞》WAV
- 王思雨《喜马拉雅HQ》头版限量编号[WAV+CUE]
- 李健《无时无刻》[WAV+CUE][590M]
- 陈奕迅《酝酿》[WAV分轨][502M]
- 卓依婷《化蝶》2CD[WAV+CUE][1.1G]
- 群星《吉他王(黑胶CD)》[WAV+CUE]
- 齐秦《穿乐(穿越)》[WAV+CUE]
- 发烧珍品《数位CD音响测试-动向效果(九)》【WAV+CUE】
- 邝美云《邝美云精装歌集》[DSF][1.6G]
- 吕方《爱一回伤一回》[WAV+CUE][454M]

























